Milwaukee V-Twin - Harley-Davidson Forum & Community
Suche
Harley-News Registrieren User-Map Suche FAQ Regeln Start
Suche
» Hallo Gast [anmelden|registrieren]
Forum » Modelllinien » Sportster (Evolution 883 / 1100 / 1200) » Alle XL 1200: Anschluss Ladegerät

Alle XL 1200: Anschluss Ladegerät

« vorherige
Hier neue Frage/Thema erstellen Hier antworten
Galerieansicht Zum Ende der Seite springen
« vorherige
Hier neue Frage/Thema erstellen Hier antworten
Galerieansicht Zum Ende der Seite springen

Alle XL 1200: Anschluss Ladegerät

Hier neue Frage/Thema erstellen Hier antworten
Galerieansicht Druckansicht Zum Ende der Seite springen
macmarkus ist offline macmarkus · 464 Posts seit 02.08.2012
fährt: iron 883 (11/2012)
macmarkus ist offline macmarkus
Langes Mitglied
star2star2star2star2star2
464 Posts seit 02.08.2012
fährt: iron 883 (11/2012)
Neuer Beitrag 08.12.2012 07:52
Zum Anfang der Seite springen

harley selbst schreibt doch, dass man das (harley/deltran-)ladegerät auch längere zeit angeschlossen lassen kann.

Avatar (Profilbild) von JohnDoe
JohnDoe ist offline JohnDoe · 58 Posts seit 08.02.2012
fährt: 1994 Heritage Softail Classic
JohnDoe ist offline JohnDoe
Mitglied
star2star2star2
58 Posts seit 08.02.2012
Avatar (Profilbild) von JohnDoe

fährt: 1994 Heritage Softail Classic
Neuer Beitrag 08.12.2012 17:39
Zum Anfang der Seite springen

Ist halt so ein Ladegerät von Louis. Das wird ja auch überall gelobt. Na ja, ich werd die Sicherung dann wohl rausnehmen.

__________________
Gummierte Seite nach unten, lackierte Seite nach oben!

Avatar (Profilbild) von Tux
Tux ist offline Tux · 854 Posts seit 24.05.2011
fährt: Nightster Bj.2011
Tux ist offline Tux
Langes Mitglied
star2star2star2star2star2
854 Posts seit 24.05.2011
Avatar (Profilbild) von Tux

fährt: Nightster Bj.2011
Neuer Beitrag 27.12.2012 16:35
Zum Anfang der Seite springen

In der Sporty-Anleitung steht drin, dass eine im Mopped verbaute Batterie mit Minuskabel an der Masse des Moppeds und das Pluskabel direkt am Pluspol der Batterie geladen werden soll.
Beim Laden sollen keine Verbraucher eingeschaltet sein.

Eine ausgebaute Batterie soll - frag mich auch wie's anders gehen soll - direkt an den Polen der Batterie geladen werden.

Von der Sicherung steht nix drin.

Ich selbst lade die Batterie im Mopped und lass dabei auch die Sicherung drin.

__________________
==============================
 The Gundown - Tarragona, Spain
==============================
 Psychopunch - Västerås, Sweden
==============================

Avatar (Profilbild) von Spitfire
Spitfire ist offline Spitfire · 777 Posts seit 26.04.2011
aus Öhringen
fährt: Sporti 48
Spitfire ist offline Spitfire
Langes Mitglied
star2star2star2star2star2
777 Posts seit 26.04.2011
Avatar (Profilbild) von Spitfire
aus Öhringen

fährt: Sporti 48
Neuer Beitrag 27.12.2012 17:59
Zum Anfang der Seite springen

zum zitierten Beitrag Zitat von m.newman
Ich habe den Minuspol direkt an die Batterie angeschlossen.
Ist etwas fimmelig... aber es geht.

dito... Freude
habe mir das
Adapterkabel mit ladezustandsanzeige
für mein ladegerät geholt!kann man locker unterm sitz verstauen Freude

__________________
Wer Plastik kennt nimmt Metall großes Grinsen
[Roman]

macmarkus ist offline macmarkus · 464 Posts seit 02.08.2012
fährt: iron 883 (11/2012)
macmarkus ist offline macmarkus
Langes Mitglied
star2star2star2star2star2
464 Posts seit 02.08.2012
fährt: iron 883 (11/2012)
Neuer Beitrag 27.12.2012 19:46
Zum Anfang der Seite springen

... oder im seitenkasten. Freude

OliHH ist offline OliHH · 60 Posts seit 27.03.2021
aus Neu Wulmstorf, Niederelbe
fährt: Fat Bob 114 Cui
OliHH ist offline OliHH
Mitglied
star2star2star2
60 Posts seit 27.03.2021 aus Neu Wulmstorf, Niederelbe

fährt: Fat Bob 114 Cui
Neuer Beitrag 11.02.2024 21:32
Zum Anfang der Seite springen

Moin ich hab mir eine 2016 Forty eight geholt und hatte auch prompt Probleme mit der Batterie . Nun hab ich mir dieses ladekabel mit SAE Stecker  gekauft und mit den Ösen an der Batterie verschraubt . Läuft alles wieder 👍
Bin so ein bißchen Detail verliebt und mir ist beim festschrauben des plus Pols aufgefallen das dieser rote Gummi polschutz total porös ist . Ich weiß man kann so universal Gummi teile kaufen aber das sieht sehr passend für diesen Anschluss aus. Gibts das als Ersatzteil von Harley oder kann mir da jemand einen Tipp geben . 
Danke und Gruß

Werbung
Grisu1340 ist offline Grisu1340 [G] · 3203 Posts seit 02.05.2009
aus Herford
fährt: FLH 80 Shrine Bj. 80,
Grisu1340 ist offline Grisu1340 [G]
starstarstarstarstar
3203 Posts seit 02.05.2009 aus Herford

fährt: FLH 80 Shrine Bj. 80,
Homepage von Grisu1340
Neuer Beitrag 11.02.2024 21:55
Zum Anfang der Seite springen

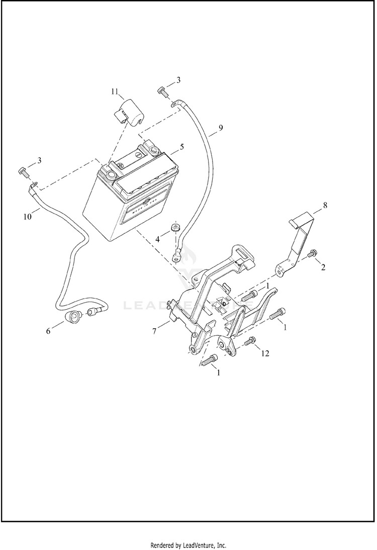
 @OliHH 
Wenn Du das Teil 11 in Link meinst: OEM 66000037

__________________
Drosseln sind Vögel, wer sie in Motorräder Verbaut ist ein Tierquäler.

OliHH ist offline OliHH · 60 Posts seit 27.03.2021
aus Neu Wulmstorf, Niederelbe
fährt: Fat Bob 114 Cui
OliHH ist offline OliHH
Mitglied
star2star2star2
60 Posts seit 27.03.2021 aus Neu Wulmstorf, Niederelbe

fährt: Fat Bob 114 Cui
Neuer Beitrag 12.02.2024 04:49
Zum Anfang der Seite springen

Moin danke schön ja . 👍

« vorherige
Thema
Antworten
Hits
Letzter Beitrag
newhotfolder
traurig
FXLR/S/ST/RST Low Rider: Heinzbikes Winglets Micro 3in1 Anschluss M8 114
von DaveHD1602
4
3753
03.05.2025 16:52
von George
Zum letzten Beitrag gehen
newhotfolder
Fragezeichen
8
13647
23.07.2022 11:38
von gkroadking
Zum letzten Beitrag gehen
newhotfolder
Fragezeichen
FLHC/S Heritage: USB-Anschluss an OBD-Stecker?
von v2devil
8
16908
10.05.2022 12:48
von v2devil
Zum letzten Beitrag gehen