Milwaukee V-Twin - Harley-Davidson Forum & Community
Suche
Harley-News Registrieren User-Map Suche FAQ Regeln Start
Suche
» Hallo Gast [anmelden|registrieren]
Forum » Modelllinien » Softail [Cruiser] (Milwaukee-Eight, Twin Cam, Evolution) » FXLR/S/ST/RST Low Rider: Verkabelung 3in1 + Kennzeichenbeleuchtung FXLR 2018

FXLR/S/ST/RST Low Rider: Verkabelung 3in1 + Kennzeichenbeleuchtung FXLR 2018

nächste »
Hier neue Frage/Thema erstellen Hier antworten
Galerieansicht Zum Ende der Seite springen
nächste »
Hier neue Frage/Thema erstellen Hier antworten
Galerieansicht Zum Ende der Seite springen

FXLR/S/ST/RST Low Rider: Verkabelung 3in1 + Kennzeichenbeleuchtung FXLR 2018

Hier neue Frage/Thema erstellen Hier antworten
Galerieansicht Druckansicht Zum Ende der Seite springen
Chrischahn87 ist offline Chrischahn87 · 10 Posts seit 13.10.2025
fährt: FXLR - Low Rider 2018
Chrischahn87 ist offline Chrischahn87
Neues Mitglied
star2
10 Posts seit 13.10.2025
fährt: FXLR - Low Rider 2018
Neuer Beitrag 02.01.2026 21:02
Zum Anfang der Seite springen

Hallöchen, 

mein zweites Projekt an meiner FXLR und ich krieg es glaub nicht ohne eure Hinweise hin. Vielen Dank im Voraus fürs Lesen des nachfolgenden Textes. 
Ich habe mir einen Kennzeichenhalter von HeinzBikes nur mit Kennzeichenbeleuchtung besorgt, der mittig auf deren Mount Adapter angebracht werden soll und somit die Rückleuchte. Die zukünftige rückwärtige Beleuchtung und das Bremslicht übernehmen Heinzbikes Winglets 3in1. Beides habe ich gebraucht bei Kleinanzeigen zu einigermaßen annehmlichen Preisen ergattern können. 

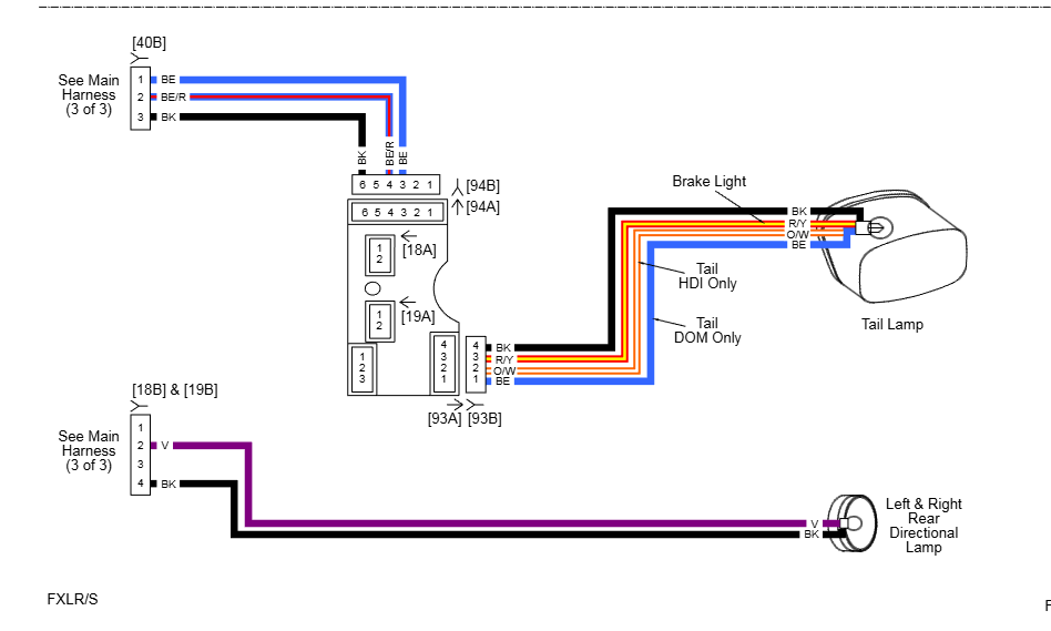
Nun zum Problem. Ich habe mir den Schaltplan für die rückwärtige Beleuchtung besorgt (siehe Schaltplan) und eigentlich sollte es die HDI-Verkabelung sein, weil es auch ein 5HD Modell ist. 


Für die Blinker passt die Belegung. Aber nicht für das Rücklicht. 
Vorgefunden habe ich aber nun das hier: 
Der Stecker vom Rücklicht hat zwei blaue, ein blau/violettes und ein schwarzes Kabel. 


Das Kabel liegt im Fender in einem Schlauch 


 
Und wird dann zu einem Stecker mit drei Kabeln


Frage: 

Mein Plan war eigentlich ein neues Kabel mit Masse und Anschluss durch den Fender zu legen, der dann die Kennzeichenbeleuchtung versorgt. Die 3in1 Blinker wollte ich dann entsprechend ebenso anschließen. 

Ich gehe mal davon aus, dass die beiden blauen Kabel die Kennzeichenbeleuchtung und das Rücklicht sind. Aber ist da irgendwo ein Abzweig in dem Schlauch vom Fender gebaut und wenn ja wo? Ich könne diesen Abzweig ja direkt für meine neue Verkabelung verwenden und müsste mir gar nichts neues legen?
Das blau/violette Kabel die wird vermutlich die Bremsbeleuchtung sein?
Wie kann ich die Bremsbeleuchtung auf die beiden 3in1 Blinker aufteilen ? Ich habe kleine Wagos und Kabelschuhe. Ich habe auch Lötverbinder, aber da kann ich ja schlecht zwei Stränge verkabeln oder etwa doch? 

Mir steht ein Zangen-Multimeter zur Verfügung, ich habe aber ehrlich gesagt keine Ahnung wie ich das verwende. Eine Schritt für Schritt Anleitung wäre hilfreich. 

Mir ist klar, dass das viele Anfängerfragen sind und die Frage aufkommen könnte, warum ich das nicht einen Fachmann machen lasse. Ich möchte es aber schon lernen und wenn ich sehe, dass hier Mitglieder in der Lage sind aus Einzelteilen eine Harley zusammenzubauen, dann löst das bei mir größten Respekt und einen Nacheiferungseffekt in aus. Es ist auch ein schönes Hobby, mal abseits vom Fahren und ich befürchte es wird mich viel viel Zeit und Geld kosten großes Grinsen großes Grinsen.
Attachment 446692
Attachment 446693
Attachment 446694
Attachment 446695
Attachment 446696
Attachment 446697
Attachment 446698

Schimmy ist offline Schimmy · 12706 Posts seit 15.10.2015
aus Greven
fährt: Ich: 96er FLHTC Meine Frau: 12er XL 1200N, 18er FXBB
Schimmy ist offline Schimmy
Langes Mitglied
star2star2star2star2star2
12706 Posts seit 15.10.2015 aus Greven

fährt: Ich: 96er FLHTC Meine Frau: 12er XL 1200N, 18er FXBB
Neuer Beitrag 03.01.2026 12:33
Zum Anfang der Seite springen

Moinsen Unbekannter, (= kleiner Hinweis auf die "Vorstellungsecke"  ⬅️KLICK MICH in diesem Forum......)

Ich will Dir nun wirklich keine Angst machen, aber bist Du Dir sicher, dass Dein Vorhaben Deine "technischen Fähigkeiten"
nicht ein wenig übersteigen wird ? ? ? Mit dem Verlegen und anschließen von ein paar Leitungen wird es alleine NICHT getan
sein, denn zusätzlich wirst Du auch noch sogenannte Lastwiderstände in die Leitungen für Blinker und (wahrscheinlich auch)
Bremslicht einbauen müssen, damit die Blinkfrequenz stimmt und es zu keinen Fehlermeldungen kommt. Details dazu findest
Du in diesem Beitrag ⬅️KLICK MICH von "HeikoJ".

Wenn Du es trotzdem wagen willst, können wir gerne per PN kommunizieren und uns Schritt für Schritt durcharbeiten. Augenzwinkern

GReetz  Jo

__________________
Wenn man schon keine Ahnung hat, einfach mal die Klappe halten Augenzwinkern

Stammtisch in Münster/NRW

Chrischahn87 ist offline Chrischahn87 · 10 Posts seit 13.10.2025
fährt: FXLR - Low Rider 2018
Chrischahn87 ist offline Chrischahn87
Neues Mitglied
star2
10 Posts seit 13.10.2025
fährt: FXLR - Low Rider 2018
Neuer Beitrag 03.01.2026 14:13
Zum Anfang der Seite springen

Huhu,

Vielen Dank zunächst mal für die Hinweise. Die Vorstellung hatte ich vorher bereits erledigt smile.

Ich würde sehr gern dein Angebot annehmen, weil ich natürlich schon sehe, dass das meine Fähigkeiten übersteigt, ich aber so einfach nicht aufgeben will. Großes Dankeschön dafür. 

Du möchtest das gern per PN machen? Bei der Vorbereitung habe ich natürlich KI befragt und hier im Forum nach Lösungen oder Anleitungen gesucht. Ich kann mich nicht vorstellen, dass ich der einzige bin der die Kombination 3in1 + mittiger Kennzeichenhalter bevorzugt und ich denke es würde etwas dazu beitragen eine Schritt für Schritt Anleitung mit Problemen hier zu haben. Davon lebt ein Forum und auch KI greift auf sowas zu. 
Ich kann aber auch gern im Nachgang eine Zusammenfassung schreiben smile.


Zum Thema Widerstände. Die Heinzbikes 3in1 Nano Winglets werden extra damit beworben, dass es keine Widerstände braucht bei Bikes mit Can-Bus. M.E.n. sollte meine FXLR ein solches Bike sein und mit der Anleitung aus deinem Link sollte ich die Blinkfrequenz anlernen können.

https://heinzbikes.com/shop/blinker-hint...inglets-blinker


Es ist noch nicht alles da, deswegen kann ich nur Vorbereitungsarbeiten machen bzw. die Theorie klären. Es fehlen noch die Winglets und der Mount-Adapter, der das Rücklicht ersetzt und an den das Kennzeichen kommt.

Meine grobe Planung für die Verkabelung sieht so aus:

1.Ich werde den Stecker für das Rücklicht auspinnen und den Kabelstrang aus dem Kabelkanal des Fenders holen. 
2.Ich öffne die Ummantelung und gucke ab wann das blaue Kabel (vermutlich Rücklicht und Kennzeichenbeleuchtung) augesplittet wurde. Bis dahin will ich drn originalen Strang möglichst erhalten.

3. Ich verwende die Masse (schwarz) und übernehme eines der Blauen Kabel und führe es durch den Kabelkanal in Kabelkanal des Fenders hinter zum Kennzeichen. 

Blinker

4. Ich splitte mit das übrig gebliebene blaue Kabel und verbinde es mit den passenden Rücklichtkabeln der Winglets. 

5. Ich splitte mir das blau/violette Kabel (Bremslicht) und schließe es an die Winglets passend zum Kabel des Bremslichts an. 

6. Ich verwende die Kabel mit Stecker der originalen Blinker mit Masse und Blinklicht und schließe sie entsprechend an die Winglets an. 


Die Verbindungen mache ich mit Lötverbindern, hierzu habe ich mir extra ein Set bestellt. Darüber kommen zur Sicherheit noch Schrumpfschläuche. 

Unsicher bin ich mir noch beim splitten, ob ich das mit Kabelschuhe und kleinen Wagos (ist vorhanden) mache oder auch in Lötverbindern. 

Was sagst du zum Plan?

Schimmy ist offline Schimmy · 12706 Posts seit 15.10.2015
aus Greven
fährt: Ich: 96er FLHTC Meine Frau: 12er XL 1200N, 18er FXBB
Schimmy ist offline Schimmy
Langes Mitglied
star2star2star2star2star2
12706 Posts seit 15.10.2015 aus Greven

fährt: Ich: 96er FLHTC Meine Frau: 12er XL 1200N, 18er FXBB
Neuer Beitrag 03.01.2026 17:06
Zum Anfang der Seite springen

Und was spricht dagegen es gleich so professionell wie möglich zu machen ? ? ? Guggst Du Leitungsplan im Anhang:

Die Steckverbindungen [18], [19] und [40] befinden sich allesamt unter der Sitzbank. [18] und [19] sind "4-place JAE
MX19 Sealed", OEM 72908-11, Suchergebnis ; Stecker [40] ist ein "3-place Tyco MCON 1.2 Sealed", OEM 69201406, Suchergebnis.
Stecker und Pins käuflich erwerben, dazu noch ein paar Meter 0,5 qmm Elektrokabel in verschiedenen Farben, evtl.
noch etwas Kabelschlauch (Gewebe/Kunststoff) und die neue Heckbeleuchtung komplett neu verkabeln.

Warum ? ? ?
  • Kein Gefrickel und/oder Zerschneiden von Kabelsträngen.
  • Keine Lötarbeiten.
  • Kann jederzeit wieder in den Original-Zustand zurück versetzt werden.

SO würde ICH das Ganze angehen, auch wenn´s etwas teurer ist....

GReetz  Jo
Attachment 446705

__________________
Wenn man schon keine Ahnung hat, einfach mal die Klappe halten Augenzwinkern

Stammtisch in Münster/NRW

Chrischahn87 ist offline Chrischahn87 · 10 Posts seit 13.10.2025
fährt: FXLR - Low Rider 2018
Chrischahn87 ist offline Chrischahn87
Neues Mitglied
star2
10 Posts seit 13.10.2025
fährt: FXLR - Low Rider 2018
Neuer Beitrag 03.01.2026 17:12
Zum Anfang der Seite springen

Hast du diesen Leitungsplan jetzt extra für mich erstellt?
Geil so machen wir das. Das sieht viel besser aus, als mein Gefrickel mit Lötverbinder... 

Bin gerade unterwegs, würde morgen aber die Sachen bestellen. 

1m sollte doch reichen von jeder Farbe, aber ich glaube in so kleinen Mengen bekomme ich das gar nicht. 

Brauch ich für die Pins extra Werkzeug?

HeikoJ ist offline HeikoJ · 3995 Posts seit 18.11.2014
fährt: H-D 1200 CB / 14
HeikoJ ist offline HeikoJ
Langes Mitglied
star2star2star2star2star2
3995 Posts seit 18.11.2014
fährt: H-D 1200 CB / 14
Neuer Beitrag 03.01.2026 19:17
Zum Anfang der Seite springen

... oder HD Part Nr. 69201690, das ist das Kabel für eine Heritage Classic 2018, mit den Steckern für die Blinker ...

Gäbe auch eins von NAMZ mit der Nr. NMZ-NHD-69201690
Attachment 446706
Attachment 446708

__________________
'First shalt thou take out the Holy Pin. Then, shalt thou count to three. No more. No less. Three shalt be the number thou shalt count, and the number of the counting shall be three."

Dieser Beitrag wurde schon 1 mal editiert, zum letzten mal von HeikoJ am 03.01.2026 19:58.

Werbung
Schimmy ist offline Schimmy · 12706 Posts seit 15.10.2015
aus Greven
fährt: Ich: 96er FLHTC Meine Frau: 12er XL 1200N, 18er FXBB
Schimmy ist offline Schimmy
Langes Mitglied
star2star2star2star2star2
12706 Posts seit 15.10.2015 aus Greven

fährt: Ich: 96er FLHTC Meine Frau: 12er XL 1200N, 18er FXBB
Neuer Beitrag 03.01.2026 19:19
Zum Anfang der Seite springen

zum zitierten Beitrag Zitat von Chrischahn87
1m sollte doch reichen von jeder Farbe, aber ich glaube in so kleinen Mengen bekomme ich das gar nicht. 
Meine Güte.... Dann nimmst Du halt 5 Meter Leitung. Mehr als 4 Farben brauchst Du eh´ nicht. Bei Tante Louise
z.B. für €3,99 je Farbe. Augenzwinkern
Brauch ich für die Pins extra Werkzeug?
Kommt darauf an, wie feinfühlig Du bist, und ob Du eine kleine Spitzzange in Deinem Werkzeugkoffer findest.
Nichts desto trotz: Auch Crimpen mit Hilfe einer gleichnamigen Zange will gelernt sein.

Greetz  Jo

__________________
Wenn man schon keine Ahnung hat, einfach mal die Klappe halten Augenzwinkern

Stammtisch in Münster/NRW

Schimmy ist offline Schimmy · 12706 Posts seit 15.10.2015
aus Greven
fährt: Ich: 96er FLHTC Meine Frau: 12er XL 1200N, 18er FXBB
Schimmy ist offline Schimmy
Langes Mitglied
star2star2star2star2star2
12706 Posts seit 15.10.2015 aus Greven

fährt: Ich: 96er FLHTC Meine Frau: 12er XL 1200N, 18er FXBB
Neuer Beitrag 03.01.2026 20:01
Zum Anfang der Seite springen

P S.:
ICH an Deiner Stelle würde VOR der endgültigen Verkabelung erst einmal einen "Versuchsaufbau" mit den LED-Blinkleuchten machen. Nicht, dass Du eine große Enttäuschung erlebst, wenn die Blinker und/oder die Kontrollleuchten - entgegen der Meinung von "Heinz Bikes" - doch schneller als "normal" blinken.....

__________________
Wenn man schon keine Ahnung hat, einfach mal die Klappe halten Augenzwinkern

Stammtisch in Münster/NRW

Reloc ist offline Reloc · 11 Posts seit 01.11.2024
aus Alzey
fährt: FXST 2023
Reloc ist offline Reloc
Neues Mitglied
star2
11 Posts seit 01.11.2024 aus Alzey

fährt: FXST 2023
Neuer Beitrag 03.01.2026 22:34
Zum Anfang der Seite springen

Nabend,

auch wenn dem fachlich nicht vielmehr hinzuzufügen ist: Ich habe meine auch auf HeinzBikes Leuchten (vorne und hinten 3in1) umgebaut und hatte KEINE Probleme mit der Blinkfrequenz (vorne und hinten ohne Widerstand). Habe aber tatsächlich auch erstmal einen "Versuchsaufbau" gemacht. 

Gutes Gelingen!

__________________
The road is eternal, the wind is constant.

Dieser Beitrag wurde schon 1 mal editiert, zum letzten mal von Reloc am 03.01.2026 23:05.

Chrischahn87 ist offline Chrischahn87 · 10 Posts seit 13.10.2025
fährt: FXLR - Low Rider 2018
Chrischahn87 ist offline Chrischahn87
Neues Mitglied
star2
10 Posts seit 13.10.2025
fährt: FXLR - Low Rider 2018
Neuer Beitrag 04.01.2026 01:41
Zum Anfang der Seite springen

Erstmal vielen Dank an alle die hier mitdenken. Ihr seid großartig.

Einen Versuchsaufbau werde ich machen. 

Ich habe jetzt auf der Einkaufsliste:

Set 2 x 4 Pin

https://amzn.eu/d/1Z4Urli

1x 3 Pin

https://ebay.us/m/Y7xXkv

Kabel mehrfarbig (leider nicht ganz dir original Farben, aber es wird gehen)

https://amzn.eu/d/8IsGuEu

Kabelschlauch

https://amzn.eu/d/8aAifBv

Eine Crimpzange habe ich (siehe Bild), aber auch eine Spitzzange. 


Habe ich was vergessen?
Attachment 446709

Dieser Beitrag wurde schon 1 mal editiert, zum letzten mal von Chrischahn87 am 04.01.2026 09:18.

bestes-ht ist offline bestes-ht · 24784 Posts seit 10.11.2009
aus Rhein-Main
fährt: FXCW-C 2008, Blue Pearl, 110Cui, BigSpoke 23/18\", Jekill & Hyde, PS-Airride - FLHRXS 2020 Zephyr Blue / Black Sunglo
bestes-ht ist offline bestes-ht
Langes Mitglied
star2star2star2star2star2
24784 Posts seit 10.11.2009 aus Rhein-Main

fährt: FXCW-C 2008, Blue Pearl, 110Cui, BigSpoke 23/18\", Jekill & Hyde, PS-Airride - FLHRXS 2020 Zephyr Blue / Black Sunglo
Homepage von bestes-ht
Neuer Beitrag 04.01.2026 10:32
Zum Anfang der Seite springen

Diese Crimpzange würde ich nochmal überdenken, die ist i.d.R. für normale Kabelschuhe/Aderendhülsen.

https://ebay.us/m/j53v1g

__________________
Wir werden nicht grau, wir werden chrome....

Wo gehstn hin? Motorrad fahren. Warst du doch gestern erst. Ja, bin aber nicht fertig geworden..... fröhlich fröhlich fröhlich

Moos ist offline Moos · 15189 Posts seit 27.11.2010
aus Bayrisch Schwaben
fährt: Street Glide, Bj. 2021 Night-Train USD, Bj. 2001 Kawa Z1 900, Bj. 1974
Moos ist offline Moos
~~ MOD ~~
star3star3star3star3star3
15189 Posts seit 27.11.2010 aus Bayrisch Schwaben

fährt: Street Glide, Bj. 2021 Night-Train USD, Bj. 2001 Kawa Z1 900, Bj. 1974
Neuer Beitrag 04.01.2026 12:55
Zum Anfang der Seite springen

Kann da jetzt keinen großen Unterschied erkennen zwischen den beiden Zangen, außer das die auf dem Bild hier sogar ne feinere Abstufung hat wenn ich das richtig sehe. Das man mit der aus Ebay alles mögliche an Steckern crimpen kann wie angegeben wage ich zu bezweifeln, da spricht schon dagegen das es nur eine Form mit wechselnden Größen in den Backen gibt. Für so was hat mein Sohnemann ne echte Knipex um über 200 € mit verschiedenen Einsätzen.

__________________
Moos

Mit einem Forum ist es wie mit einer Party.
Wer mit dem Gastgeber nicht klar kommt, sollte nicht hin gehen.

Schimmy ist offline Schimmy · 12706 Posts seit 15.10.2015
aus Greven
fährt: Ich: 96er FLHTC Meine Frau: 12er XL 1200N, 18er FXBB
Schimmy ist offline Schimmy
Langes Mitglied
star2star2star2star2star2
12706 Posts seit 15.10.2015 aus Greven

fährt: Ich: 96er FLHTC Meine Frau: 12er XL 1200N, 18er FXBB
Neuer Beitrag 04.01.2026 14:34
Zum Anfang der Seite springen

Moinsen,

Für beinahe jeden Connector-Typ muss eine andere Crimp-Zange (- Einsatz) verwendet werden, da diese unterschiedliche
Maße / Materialstärken / "Systeme" haben. Besonders auffällig ist das z.B. bei den "MCON 1.2 Sealed" Connectoren,

die vom Aufbau ähnlich den "Superseal" Connectoren sind.

Die wird man weder mit einer "normalen", noch mit der von "bestes-ht" empfohlenen Crimpzange bearbeiten können.....

Greetz  Jo

__________________
Wenn man schon keine Ahnung hat, einfach mal die Klappe halten Augenzwinkern

Stammtisch in Münster/NRW

bestes-ht ist offline bestes-ht · 24784 Posts seit 10.11.2009
aus Rhein-Main
fährt: FXCW-C 2008, Blue Pearl, 110Cui, BigSpoke 23/18\", Jekill & Hyde, PS-Airride - FLHRXS 2020 Zephyr Blue / Black Sunglo
bestes-ht ist offline bestes-ht
Langes Mitglied
star2star2star2star2star2
24784 Posts seit 10.11.2009 aus Rhein-Main

fährt: FXCW-C 2008, Blue Pearl, 110Cui, BigSpoke 23/18\", Jekill & Hyde, PS-Airride - FLHRXS 2020 Zephyr Blue / Black Sunglo
Homepage von bestes-ht
Neuer Beitrag 04.01.2026 14:56
Zum Anfang der Seite springen

<blockquote><cite>1912832</cite><div><em>Zitat von Moos</em><br />Kann da jetzt keinen großen Unterschied erkennen zwischen den beiden Zangen, außer das die auf dem Bild hier sogar ne feinere Abstufung hat wenn ich das richtig sehe. Das man mit der aus Ebay alles mögliche an Steckern crimpen kann wie angegeben wage ich zu bezweifeln, da spricht schon dagegen das es nur eine Form mit wechselnden Größen in den Backen gibt. Für so was hat mein Sohnemann ne echte Knipex um über 200 € mit verschiedenen Einsätzen.</div></blockquote><br />Der Unterschied liegt im Oberteil der Backe, bei dieser wird der Schuh nicht einfach nur quadratisch zusammengezogen, sondern um 180 Grad, oder waren es 360 😎🤣, umgelegt und eingezogen.
Die Zange habe ich als Beispiel genannt, etwas Eigeninitiative darf gerne… 😉
Attachment 446724

__________________
Wir werden nicht grau, wir werden chrome....

Wo gehstn hin? Motorrad fahren. Warst du doch gestern erst. Ja, bin aber nicht fertig geworden..... fröhlich fröhlich fröhlich

Chrischahn87 ist offline Chrischahn87 · 10 Posts seit 13.10.2025
fährt: FXLR - Low Rider 2018
Chrischahn87 ist offline Chrischahn87
Neues Mitglied
star2
10 Posts seit 13.10.2025
fährt: FXLR - Low Rider 2018
Neuer Beitrag 04.01.2026 22:28
Zum Anfang der Seite springen

So ich hab das Zeug jetzt alles inklusive der Crimpzange bestellt. Die kann ich zur Not auch zurückschicken, wenn das nicht passt. Ich habe auch eine Spitzzange und bekomme das vielleicht auch irgendwie händisch hin. 

Ich denke so könnte es gehen: 
https://www.youtube.com/watch?v=Z9k6CzILNGk

nächste »
Thema
Antworten
Hits
Letzter Beitrag
newhotfolder
großes Grinsen
FXDB/C Street Bob: LED 3in1 keine Funktion mehr (Mehrere Seiten 1 2 3 4)
von Horst1902
49
29525
09.10.2025 13:58
von Schimmy
Zum letzten Beitrag gehen
newhotfolder
Fragezeichen
XL 1200N Nightster: Heinzbike 3in1 Nano an 2012 US XL1200N
von MrCloudy
2
1748
30.08.2025 21:04
von MrCloudy
Zum letzten Beitrag gehen
newhotfolder
traurig
FXLR/S/ST/RST Low Rider: Heinzbikes Winglets Micro 3in1 Anschluss M8 114
von DaveHD1602
4
3905
03.05.2025 16:52
von George
Zum letzten Beitrag gehen